Wind
Calculations
Truss Analysis
Specs
Sizing of Members
Design
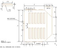
Work Performed (jpg)

Truss Analysis |
 Final Truss chosen out of Three options
|
Local Building
Codes
- Parking must be provided
(2.5m x 3m)
- Sidewalk must be provided
(1.8m wide)
- Septic tank must be accessible
- Existing and proposed buildings
must be 6m from street property line
- Buildings must not occupy
more than 40% of any property line.
- Water must not drain onto
adjacent property
- Buildings not constructed
against existing walls must be at least 3m from walls
|